
CD/CG250、350系列重载液压缸
本系列液压缸是由14种缸径,分别按两种速比组成28种规格的单活塞双作用差动油缸。另外缸头法兰、中间轴销和底座安装三种还可作成双活塞双作用等速油缸,再加上有无缓冲与上述28种规格组成384个品种。其安装形式和尺寸符合德国钢厂和ISO3320标准,特别适合环境恶劣、重载的工作状态。广泛应用于钢铁、铸造、锻造、及机械制造等工业部门。
工作条件:工作压力MPa:25、35
工作介质:矿物油、磷酸油和水一乙二醇
工作温度°C:-30~+100 介质粘度cst:2.8~380 速度m/s:0.5(采用特殊密封可达到15)
型号 选择

250 | 350 | 缸径D | 杆径d | 速比w | D/d | 250 | 350 | 缸径D | 杆径d | 速比w | D/d |
√ |
| 40 | 20 | 1.3 | 40/20 | √ |
| 160 | 100 | 1.6 | 160/100 |
√ | √ | 28 | 2 | 40/28 | √ | √ | 110 | 2 | 160/110 |
√ |
| 50 | 28 | 1.4 | 50/28 | √ |
| 180 | 110 | 1.6 | 180/110 |
√ | √ | 35 | 2 | 50/35 | √ | √ | 125 | 2 | 180/125 |
√ |
| 63 | 35 | 1.4 | 63/35 | √ |
| 200 | 125 | 1.6 | 200/150 |
√ | √ | 45 | 2 | 63/45 | √ | √ | 140 | 2 | 200/140 |
√ |
| 80 | 45 | 1.4 | 80/45 | √ |
| 220 | 140 | 1.6 | 220/140 |
√ | √ | 55 | 2 | 80/55 | √ | √ | 160 | 2 | 220/160 |
√ |
| 100 | 55 | 1.4 | 100/55 | √ |
| 250 | 160 | 1.6 | 250/160 |
√ | √ | 70 | 2 | 100/70 | √ | √ | 180 | 2 | 250/180 |
√ |
| 125 | 70 | 1.4 | 125/70 | √ |
| 280 | 180 | 1.6 | 280/180 |
√ | √ | 90 | 2 | 125/90 | √ | √ | 200 | 2 | 280/200 |
√ |
| 140 | 90 | 1.6 | 140/90 | √ |
| 320 | 200 | 1.6 | 320/200 |
√ | √ | 100 | 2 | 140/100 | √ | √ | 220 | 2 | 320/220 |
CD/CG250、350系列重载液压缸技术参数
规格/技术参数
缸径 D(mm) | 杆径 d(mm) | 速比w | 活塞面积(cm2) | 理论输出力(KN) | **行程(mm) |
| 5MPa | 10 MPa | 25 MPa | 35 MPa |
| 无杆腔 | 有杆腔 | 推力 | 拉力 | 推力 | 拉力 | 推力 | 拉力 | 推力 | 拉力 |
| 40 | 20 | 1.3 | 12.57 | 9.42 | 6.28 | 4.71 | 12.57 | 9.42 | 31.42 | 23.56 | 43.98 | 32.99 | 2000 |
| 28 | 2 | 6.41 | 3.2 | 6.41 | 16.02 | 22.43 |
| 50 | 28 | 1.4 | 19.63 | 13.48 | 9.82 | 6.74 | 19.63 | 13.48 | 49.09 | 33.69 | 68.72 | 47.17 | 3000 |
| 35 | 2 | 10.01 | 5.01 | 10.01 | 25.03 | 35.05 |
| 63 | 35 | 1.4 | 31.17 | 21.55 | 15.59 | 10.78 | 31.17 | 21.55 | 77.93 | 53.88 | 109.1 | 75.43 | 4000 |
| 45 | 2 | 15.27 | 7.63 | 15.27 | 38.17 | 53.44 |
| 80 | 45 | 1.4 | 50.27 | 34.36 | 25.13 | 17.18 | 50.27 | 34.36 | 125.66 | 85.9 | 175.93 | 120.26 | 6000 |
| 55 | 2 | 26.51 | 13.25 | 26.51 | 66.27 | 92.78 |
| 100 | 55 | 1.4 | 78.54 | 54.78 | 39.27 | 27.39 | 78.54 | 54.78 | 196.35 | 136.95 | 274.89 | 191.74 | 8000 |
| 70 | 2 | 40.06 | 20.03 | 40.06 | 100.14 | 140.19 |
| 125 | 70 | 1.4 | 122.72 | 84.23 | 61.36 | 42.12 | 122.72 | 84.23 | 306.8 | 210.58 | 429.51 | 294.82 |
| 90 | 2 | 59.1 | 29.55 | 59.1 | 147.75 | 206.85 |
| 140 | 90 | 1.6 | 153.94 | 90.32 | 76.97 | 45.16 | 153.94 | 90.32 | 384.85 | 225.8 | 538.78 | 316.12 | 10000 |
| 100 | 2 | 75.4 | 37.7 | 75.4 | 188.5 | 263.89 |
| 160 | 100 | 1.6 | 201.06 | 122.52 | 100.53 | 61.26 | 201.06 | 122.52 | 502.65 | 306.31 | 703.72 | 428.83 |
| 110 | 2 | 106.03 | 53.01 | 106.03 | 265.07 | 371.1 |
| 180 | 110 | 1.6 | 254.47 | 159.44 | 127.23 | 79.72 | 254.47 | 159.44 | 636.17 | 398.59 | 890.64 | 558.03 |
| 125 | 2 | 131.75 | 65.88 | 131.75 | 329.38 | 461.13 |
| 200 | 125 | 1.6 | 314.16 | 191.44 | 157.08 | 95.72 | 314.16 | 191.44 | 785.4 | 478.6 | 1099.56 | 670.04 |
| 140 | 2 | 160.22 | 80.11 | 160.22 | 400.55 | 560.77 |
| 220 | 140 | 1.6 | 380.13 | 226.19 | 190.07 | 113.1 | 380.13 | 226.19 | 950.33 | 565.49 | 1330.46 | 791.68 |
| 160 | 2 | 179.07 | 89.54 | 179.07 | 447.68 | 626.75 |
| 250 | 160 | 1.6 | 490.87 | 289.81 | 245.44 | 144.91 | 490.87 | 289.81 | 1227.18 | 724.53 | 1718.06 | 1014.34 |
| 180 | 2 | 236.4 | 118.2 | 236.4 | 591.01 | 827.42 |
| 280 | 180 | 1.6 | 615.75 | 361.28 | 307.88 | 180.64 | 615.75 | 361.28 | 1539.38 | 903.21 | 2155.13 | 1264.49 |
| 200 | 2 | 301.59 | 150.8 | 301.59 | 753.98 | 1055.58 |
| 320 | 200 | 1.6 | 804.25 | 490.09 | 402.12 | 245.04 | 804.25 | 490.09 | 2010.62 | 1225.22 | 2814.87 | 1715.31 |
| 220 | 2 | 424.12 | 212.06 | 424.12 | 1060.29 | 1484.4 |
工作条件
工作压力MPa:CD/CG250 25;CD/CG350 35
工作温度℃:-30~+100
工作介质:矿物油、磷酸油和水一乙二醇运动速度m/s:0.5(采用特殊密封可达到15)
工作介质粘度cst:2.8~380 缸头与缸筒螺纹连接时CD250、D350系列螺纹钉紧固力矩
| 系列 | 活塞直径(mm) | 40 | 50 | 63 | 80 | 100 | 125 | 140 | 160 | 180 | 200 | 220 | 250 | 280 | 320 |
| CD250 | 头部和底部N.m | 20 | 40 | 100 | 100 | 250 | 490 | 490 | 1260 | 1260 | 1710 | 1710 | 2310 | 2970 | 2970 |
| 密封盖N.m | - | - | - | - | - | 30 | 30/60 | 60 | 60 | 60 | 250 | 250 | 250 | 250 |
| CD350 | 头部和底部N.m | 30 | 60 | 100 | 250 | 490 | 850 | 1260 | 1260 | 1710 | 2310 | 2310 | 3390 | 3850 | 4770 |
| 密封盖N.m | - | - | - | - | - | 60 | 100 | 100 | 100 | 250 | 250 | 250 | 250 | 250 |
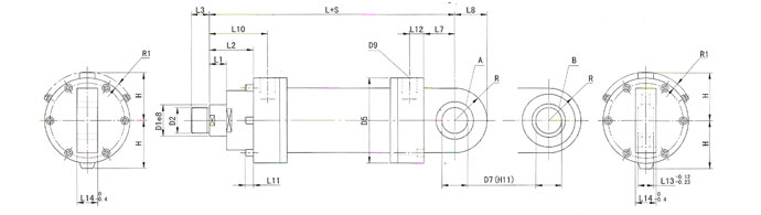
CD/CG250、350系列重载液压缸外形尺寸
CD250A、CD250B系列差动重载液压缸外形尺寸
CD250A CD250B
尾部单耳环带滑动轴承 尾部单耳环带联节轴承

| 缸径D | 40 | 50 | 63 | 80 | 100 | 125 | 140 | 160 | 180 | 200 | 220 | 250 |
| 杆径d | 20/ | 28/ | 35/ | 45/ | 55/ | 70/ | 90/ | 100/ | 110/ | 125/ | 140/ | 160/ |
| 28 | 35 | 45 | 55 | 70 | 90 | 100 | 110 | 125 | 140 | 160 | 180 |
| D1 | 55 | 68 | 75 | 95 | 115 | 135 | 155 | 180 | 200 | 215 | 245 | 280 |
| CD250A、CD250B | D2 | A | M18* | M24* | M30* | M39* | M50* | M64* | M80* | M90* | M100* | M110* | M120* | M120* |
| 2 | 2 | 2 | 3 | 3 | 3 | 3 | 3 | 3 | 4 | 4 | 4 |
| G | M16* | M22* | M28* | M35* | M45* | M58* | M65* | M80* | M100* | M110* | M120* | M120* |
| 1.5 | 1.5 | 1.5 | 1.5 | 1.5 | 1.5 | 1.5 | 2 | 2 | 2 | 3 | 3 |
| D5 | 85 | 105 | 120 | 135 | 165 | 200 | 220 | 265 | 290 | 310 | 355 | 395 |
| D7 | 25 | 30 | 35 | 40 | 50 | 60 | 70 | 80 | 90 | 100 | 110 | 110 |
| D9 | O1 | 1/2″ | 1/2″ | 3/4″ | 3/4″ | 1″ | 1¼″ | 1¼″ | 1½″ | 1½″ | 1½″ | 1½″ | 1½″ |
| BSP | BSP | BSP | BSP | BSP | BSP | BSP | BSP | BSP | BSP | BSP | BSP |
| O2 | M22* | M22* | M27* | M27* | M33* | M42* | M48* | M48* | M48* | M48* | M48* | M48* |
| 1.5 | 1.5 | 2 | 2 | 2 | 2 | 2 | 2 | 2 | 2 | 2 | 2 |
| L | 252 | 265 | 302 | 330 | 385 | 447 | 490 | 550 | 610 | 645 | 750 | 789 |
| L1 | 17 | 21 | 25 | 15.5 | 33 | 32 | 37/33 | 40 | 40/37 | 40 | 25 | 25 |
| L2 | 54 | 58 | 67 | 65 | 85 | 97 | 105 | 120 | 130 | 135 | 155 | 165 |
| L3 | A | 30 | 35 | 45 | 55 | 75 | 95 | 110 | 120 | 140 | 150 | 160 | 160 |
| G | 16 | 22 | 28 | 35 | 45 | 58 | 65 | 80 | 100 | 110 | 120 | 120 |
| L7(A10/ | 32.5 | 37.5 | 45 | 52.5/50 | 60 | 70 | 75 | 85 | 90 | 115 | 125 | 140 |
| B10) |
| L8 | 27.5 | 32.5 | 40 | 50 | 62.5 | 70 | 82 | 95 | 113 | 125 | 142.5 | 160 |
| L10 | 76 | 80 | 89.5 | 86 | 112.5 | 132 | 145 | 160 | 175 | 180 | 225 | 235 |
| L11 | 8 | 10 | 12 | 12 | 16 | - | - | - | - | - | - | - |
| L12 | 20.5 | 20.5 | 22.5 | 32.5 | 32.5 | 35 | 40 | 40 | 55 | 40 | 70 | 70 |
| L14 | 23 | 28 | 30 | 35 | 40 | 50 | 55 | 60 | 65 | 70 | 80 | 80 |
| H | 45 | 55 | 63 | 70 | 82.5 | 103 | 112.5 | 132.5 | 147.5 | 157.5 | 180 | 200 |
| R | 27.5 | 32.5 | 40 | 50 | 62.5 | 65 | 77 | 88 | 103 | 115 | 132.5 | 150 |
| R1(A10/ | 7月16日 | 2月14日 | 2月9日 | 1.5/5 | -/11.5 | 4/- | - | 27.5/- | 18/- | 20/- | - | - |
| B10) |
| CD250B | L13 | 20 | 22 | 25 | 28 | 35 | 44 | 49 | 55 | 60 | 70 | 70 | 70 |
| CD250A、 | 系数X | 5 | 7.5 | 13 | 18 | 34 | 76 | 99 | 163 | 229 | 275 | 417 | 571 |
| CD250B | 系数Y | 0.11/ | 0.015/ | 0.020/ | 0.030/ | 0.050/ | 0.078/ | 0.105/ | 0.136/ | 0.170/ | 0.220/ | 0.262/ | 0.346/ |
|
| 0.019 | 0.024 | 0.039 | 0.06o | 0.092 | 0.122 | 0.156 | 0.192 | 0.246 | 0.299 | 0.387 |
| 0.015 |
|
| 重量kg | M=X+Y*S |
注:
1.A10型用螺纹连接缸底,适用于所有尺寸的缸径。
2.B10型用焊接缸底,只用在D≤100的缸径。
3.缸头外侧采用密封盖,仅用于D≥125的缸径。
4.缸头外侧采用活塞杆导向套,仅用于D≤100的缸径。
5.缸头、缸底与缸筒螺纹连接时,当缸径D≤100时,螺钉头均露在法兰外,当缸径D>100时,螺钉头凹入缸底法兰内。
6.单向节流阀和排气阀与水平线夹角θ:CD350系列:缸径D≤200,θ=30°,缸径≥220,θ=45°,CD250系列:除缸径=320,θ=45°,其余均为30°。
7.以下表格均与此表注同。