欢迎来到无锡艾力德液压科技有限公司官方网站!
contact us

联系我们

当前位置:首页 >> 重载型液压油缸

  • 产品名称
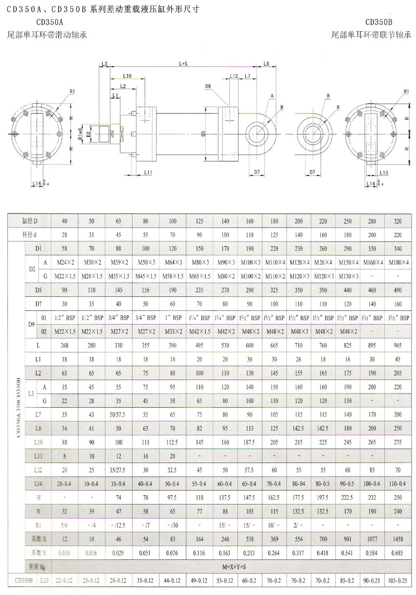
    : CD系列液压缸参数
  • 产品类型
    : 重载型液压油缸
  • 发布时间
    : 2025-07-23

产品描述

CD-1.jpg

CD-2.jpg

CD-3.jpg

CD-4.jpg

CD-5.jpg

CD-6.jpg

CD-7.jpg

CD-8.jpg

CD-9.jpg

CD-10.jpg

CD-11.jpg


其他产品